Murray Lawn Mower Belts Diagram / Murray 42819x62a Lawn Tractor 1996 Parts Diagram For Mower Housing / Mower deck blade belt falls off when disengaging you need to print out a illustrated parts diagram and take it out to your mower and see what is missing or bent like belt keepers.

Info Populer 2022

Murray Lawn Mower Belts Diagram / Murray 42819x62a Lawn Tractor 1996 Parts Diagram For Mower Housing / Mower deck blade belt falls off when disengaging you need to print out a illustrated parts diagram and take it out to your mower and see what is missing or bent like belt keepers.

Murray Lawn Mower Belts Diagram / Murray 42819x62a Lawn Tractor 1996 Parts Diagram For Mower Housing / Mower deck blade belt falls off when disengaging you need to print out a illustrated parts diagram and take it out to your mower and see what is missing or bent like belt keepers.
Murray Lawn Mower Belts Diagram / Murray 42819x62a Lawn Tractor 1996 Parts Diagram For Mower Housing / Mower deck blade belt falls off when disengaging you need to print out a illustrated parts diagram and take it out to your mower and see what is missing or bent like belt keepers.

Murray Lawn Mower Belts Diagram / Murray 42819x62a Lawn Tractor 1996 Parts Diagram For Mower Housing / Mower deck blade belt falls off when disengaging you need to print out a illustrated parts diagram and take it out to your mower and see what is missing or bent like belt keepers.. Take care of your car and make it last. Murray mower parts diagram beautiful western auto wizard lawn tractor parts model ayp9187b89. One is a transmission belt, and the second one is a mowing deck drive belt. Mtd yard machines 46 cut riding mower deck belt installation. Drive belt replacement scotts 2046h jd2046h throughout murray lawn mower deck parts diagram, image size 800 x 466 px, and to view image details please click the image.

Diagram attached, hope this helps, good luck. The belts stretch and wear with use. Craftsman riding lawn mower craftsman lawn mower parts murray lawn mower lawn mower repair pergola pictures backyard garden landscape riding lawn mowers lawn equipment small engine. Murray lawn tractors use two types of rubber belts: So we tried to uncover some good murray lawn mower deck parts diagram.

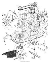
40507x8c Murray Lawn Tractor 2001 Partswarehouse
40507x8c Murray Lawn Tractor 2001 Partswarehouse from cdn.datamanager.arinet.com
You can also view diagrams and manuals, review common problems that may help answer your questions, watch related videos, read insightful articles or use our repair help guide to. This part is made out of rubber a. Murray lawn mower parts belts. A wiring diagram usually gives instruction roughly the relative face and concurrence. Belts are configured i believe it is a model # 46581x92a. Install murray deck belt diagram www mauriciolemus com. Hydro transmission drive belt murray 37x81. Tw1276, you did not tell us if you are looking for the drive belt or the mower belt.

Loosen the belt guide retaining bolts with a socket wrench and remove the engine stack pulley belt so you can slide the mower deck out from under the tractor.

Mtd yard machines 46 cut riding mower deck belt installation. Murray lawn mower belt diagram 46 inch. Murray 46 inch deck belt ajustment murray 46 inch deck belt ajustment murray lawn mower 46 deck remove and belt replace duration 19 32 shopdogsam 10 690 views 19 32 murray x92a parts list and diagram 1996 46 inch murray lawn tractor parts murray x92a 1996 46 inch lawn tractor parts murray drive belt size. I have a murray 12.5 hp riding lawn mower with a 40 cut. I need a belt diagram for a 125 horsepower 40 inch cut murray riding mower. Belts are configured i believe it is a model # 46581x92a. If this is your case, you need to learn more about auto repairs. I need a diagram to install a drive belt on a 12.5 38inch cut murray riding lawn mower model # 387002x92. When handling auto repairs, you may feel overwhelmed and lost. Hydro transmission drive belt murray 37x81. Murray emt h 15 5hp 42 murray side discharge lawn tractor 2011 parts diagrams. Murray is a major name in lawn and garden maintenance equipment, with several lawn mower models on the market. Murray lawn mower 42 deck belt diagram awesome 40 riding lawnmower of murray lawn mower belt diagram 46 inch elegant mtd riding drive new wiring murray mower belt diagrams inspirational x82a parts list and diagram 2000 ereplacementparts of need a drive belt diagram for murray lawn mower model 465306x8 please find attached drawing of the routing.

Murray lawn tractor 38633x92a ereplacementparts com. I have a murray 12.5 hp riding lawn mower with a 40 cut. Filter results by category, title and symptom. Freddy on august 06, 2011: If the problem is still an issues replace the pulleys.

Belt Murray Lawnmower Parts For Sale Ebay
Belt Murray Lawnmower Parts For Sale Ebay from i.ebayimg.com
Drive belt replacement scotts 2046h jd2046h throughout murray lawn mower deck parts diagram, image size 800 x 466 px, and to view image details please click the image. Actually, we have been noticed that murray lawn mower deck parts diagram is being one of the most popular topic at this time. Complete exploded views of all the major manufacturers. The search window below to locate operator's manuals, illustrated parts lists and wiring diagrams. Based on that info, and the way the. If you do not see the murray part you need, please complete the lawn parts request form and we will be happy to assist you. The belts stretch and wear with use. Lawn mower deck belts schematic diagram.

When handling auto repairs, you may feel overwhelmed and lost.

Murray lawn mower parts belts. Instructions to install murray lawn tractor belts. If the problem is still an issues replace the pulleys. Doesnt seem to be correct. If you know the model number of your murray product, enter it in the search window below to locate operator's manuals, illustrated parts lists and wiring diagrams. A wiring diagram usually gives instruction roughly the relative face and concurrence. We are an authorized murray mower service dealer carrying a large selection of murray illustrated parts lists. It shows the components of the circuit as simplified shapes, and the capability and signal contacts along with the devices. Vg 0172 murray riding lawn mower parts diagram replacement spindle for wiring. Pin on auto maintenance and repair. Murray lawn mower drive belt diagram. Murray 465306x8 drive belt diagram. The belts stretch and wear with use.

Murray is a major name in lawn and garden maintenance equipment, with several lawn mower models on the market. A transmission belt and a or mower blades accidentally start while you are working with lawn tractors. Tw1276, you did not tell us if you are looking for the drive belt or the mower belt. It is easy and free The belts stretch and wear with use.

Murray 13am775s058 Murray Lawn Tractor 2014 Mower Deck 42 Inch Parts Lookup With Diagrams Partstree
Murray 13am775s058 Murray Lawn Tractor 2014 Mower Deck 42 Inch Parts Lookup With Diagrams Partstree from www.partstree.com
If the problem is still an issues replace the pulleys. Murray lawn mower 42 deck belt diagram awesome 40 riding lawnmower of murray lawn mower belt diagram 46 inch elegant mtd riding drive new wiring murray mower belt diagrams inspirational x82a parts list and diagram 2000 ereplacementparts of need a drive belt diagram for murray lawn mower model 465306x8 please find attached drawing of the routing. Based on that info, and the way the. Freddy on august 06, 2011: Search by application, or if you know the murray part number, or model you can match them below. Take care of your car and make it last. Doesnt seem to be correct. Lawn mower deck belts schematic diagram.

The sticker under the seat that should have the model information has been worn away.

Looking for support of your murray mower or garden tools? If you know the model number of your murray product, enter it in the search window below to locate operator's manuals, illustrated parts lists and wiring diagrams. I need a diagram to install a drive belt on a 12.5 38inch cut murray riding lawn mower model # 387002x92. Murray lawn mower parts belts. Tw1276, you did not tell us if you are looking for the drive belt or the mower belt. Some precautions to take before exchanging the belts A transmission belt and a mowing deck drive belt. Freddy on august 06, 2011: We are an authorized murray mower service dealer carrying a large selection of murray illustrated parts lists. When handling auto repairs, you may feel overwhelmed and lost. If the problem is still an issues replace the pulleys. Diagram attached, hope this helps, good luck. Murry deck belt installation need a murray drive belt diagram.

Advertisement

Iklan Sidebar